Meniu

0

0 RON

MOTAQUIP Cilindru receptor frana VWC594

Producator
MOTAQUIP
MOTAQUIP
Produs
Cilindru receptor frana VWC594
Disponibilitate
In stoc furnizor
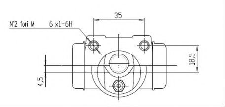
Alezaj-? [mm] 22,22
Sistem frânare BDX
Producator Cod OEM
FIAT 9947161
# Titlu Motorizare An inceput constructie An sfarsit constructie KW CP Combustibil
1 FIAT BRAVA (182) 1.4 12 V (182.BA) motor pe benzina 1995 1998 59 80 benzina
2 FIAT BRAVA (182) 1.6 16V (182.BB) motor pe benzina 1996 2001 76 103 benzina
3 FIAT BRAVA (182) 1.8 GT 16V (182.BC) motor pe benzina 1995 2001 83 113 benzina
4 FIAT BRAVA (182) 1.9 TD 100 S (182.BF) motor diesel 1996 2001 74 100 motor diesel
5 FIAT BRAVA (182) 1.9 TD 75 S (182.BF) motor diesel 1996 2001 55 75 motor diesel
6 FIAT BRAVO I (182) 1.4 (182.AA) motor pe benzina 1995 2001 59 80 benzina
7 FIAT BRAVO I (182) 1.6 16V (182.AB) motor pe benzina 1996 2001 76 103 benzina
8 FIAT BRAVO I (182) 1.8 GT (182.AC) motor pe benzina 1995 2001 83 113 benzina
9 FIAT BRAVO I (182) 1.9 TD 100 S (182.AF) motor diesel 1996 2001 74 100 motor diesel
10 FIAT MAREA (185) 1.6 100 16V motor pe benzina 1996 2002 76 103 benzina
11 FIAT MAREA (185) 1.8 115 16V motor pe benzina 1996 2002 83 113 benzina
12 FIAT MAREA (185) 1.9 JTD 105 motor diesel 1999 2001 77 105 motor diesel
13 FIAT MAREA (185) 1.9 JTD 110 motor diesel 2001 2002 81 110 motor diesel
14 FIAT MAREA (185) 1.9 TD 100 motor diesel 1996 2002 74 100 motor diesel
15 FIAT MAREA (185) 1.9 TD 75 motor diesel 1996 2002 55 75 motor diesel

Scrie o recenzie

    Nu-mi place           Imi place foarte mult