ATE Disc frana 24.0124-0177.1
- Producator
- ATE

- Produs
- Disc frana 24.0124-0177.1
- Disponibilitate
- In stoc furnizor
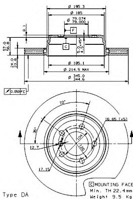
| Diametru [mm] | 345 |
|---|---|
| Grosime disc frâna [mm] | 24 |
| Grosime minima [mm] | 22,4 |
| Tip disc frâna | ventilat |
| Procesare | continut ridicat de carbon |
| Suprafata | acoperit (cu un strat protector) |
| Numar gauri | 5 |
| Diametru asezare gauri -? [mm] | 120 |
| Înaltime [mm] | 67 |
| Diametru de centrare [mm] | 79 |
| Diametru interior [mm] | 185 |
| Alezaj-? [mm] | 16,5 |
| Cod MAPP disponibil |
| Producator | Cod OEM |
| BMW | 34 21 1 166 129 |





























