Meniu

0

0 RON

TEXTAR Disc frana 92132900

Producator
TEXTAR
TEXTAR
Produs
Disc frana 92132900
Disponibilitate
In stoc furnizor
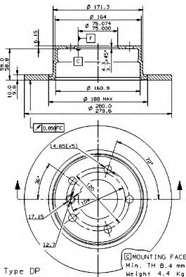
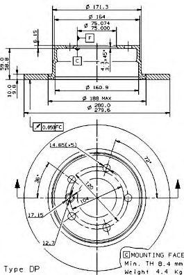
Tip disc frâna plin
Diametru [mm] 280
Grosime disc frâna [mm] 10
Grosime minima [mm] 8,4
Înaltime [mm] 65
Asezare gauri/numar gauri 05/06
Diametru asezare gauri -? [mm] 120
Diametru de centrare [mm] 75
Greutate (în kg) 4,42
Articol completare/Info suplimentar 2 fara butuc roata
Articol completare/Info suplimentar 2 fara suruburi de fixare roata
Numar informatii tehnice 98200 1329 0 1
Producator Cod OEM
BMW 34216764647
BMW 34216855001
# Titlu Motorizare An inceput constructie An sfarsit constructie KW CP Combustibil

Scrie o recenzie

    Nu-mi place           Imi place foarte mult