Meniu

0

0 RON

LPR Pompa centrala, frana 1899

Producator
LPR
LPR
Produs
Pompa centrala, frana 1899
Disponibilitate
In stoc furnizor
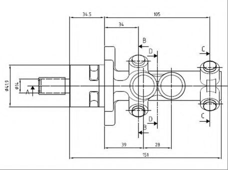
Dimensiune filet 10 x 1 (4)
Sistem frânare Bendix
Material aluminiu
Alezaj-? [mm] 20,64
pentru numar articol 1899
Producator Cod OEM
PEUGEOT 4601F2
# Titlu Motorizare An inceput constructie An sfarsit constructie KW CP Combustibil
1 PEUGEOT 106 Mk II (1) 1.1 i motor pe benzina 1997 2016 40 54 benzina
2 PEUGEOT 106 Mk II (1) 1.4 i motor pe benzina 1996 2016 55 75 benzina
3 PEUGEOT 106 Mk II (1) 1.5 D motor diesel 1996 2016 40 55 motor diesel
4 PEUGEOT 106 Mk II (1) 1.5 D motor diesel 1998 2016 42 57 motor diesel
5 PEUGEOT 106 Mk II (1) 1.6 i motor pe benzina 1996 2016 65 89 benzina
6 PEUGEOT 106 Mk II (1) 1.6 i motor pe benzina 1996 2016 74 101 benzina
7 PEUGEOT 106 Mk II (1) 1.6 S16 motor pe benzina 1996 2016 87 118 benzina
8 PEUGEOT 106   (1A, 1C) 1.0 motor pe benzina 1991 1996 33 45 benzina
9 PEUGEOT 106   (1A, 1C) 1.1 motor pe benzina 1991 1996 44 60 benzina
10 PEUGEOT 106   (1A, 1C) 1.5 D motor diesel 1994 1996 40 54 motor diesel
11 PEUGEOT 106   (1A, 1C) 1.6 motor pe benzina 1993 1996 65 88 benzina
12 PEUGEOT 106   (1A, 1C) 1.6 motor pe benzina 1994 1996 76 103 benzina

Scrie o recenzie

    Nu-mi place           Imi place foarte mult