Meniu

0

0 RON

LÖBRO Set articulatie, planetara 302447

Producator
LÖBRO
LÖBRO
Produs
Set articulatie, planetara 302447
Disponibilitate
In stoc furnizor
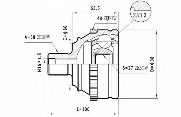
Tip articulatie Articulatie planetara
Dantura exterioara parte roata 38
Dinti interior, spre roata 27
Numar dinti , inel ABS 48
diametru inel ABS [mm] 104
Diametru simering [mm] 60
Prelucrat mecanic fara cavitate in piesa interna
Diametru articulatie 98
Lungime [mm] 99
Dimensiune filet M16x1.5F
Producator Cod OEM
VAG 701 498 099 C
VAG 701 498 099 CX
AUDI 701498340CX
VAG 701498340CX
VAG 7D0498099
VW JZW498340EX
# Titlu Motorizare An inceput constructie An sfarsit constructie KW CP Combustibil
1 VW TRANSPORTER Mk IV caroserie (70XA) 2.5 TDI motor diesel 1998 2003 65 88 motor diesel
2 VW TRANSPORTER Mk IV caroserie (70XA) 2.5 TDI motor diesel 2000 2003 111 151 motor diesel
3 VW TRANSPORTER Mk IV caroserie (70XA) 2.5 TDI Syncro motor diesel 1995 2003 75 102 motor diesel
4 VW TRANSPORTER Mk IV platou / sasiu (70XD) 1.9 D motor diesel 1990 1995 45 61 motor diesel
5 VW TRANSPORTER Mk IV platou / sasiu (70XD) 1.9 D motor diesel 1990 1995 44 60 motor diesel
6 VW TRANSPORTER Mk IV platou / sasiu (70XD) 1.9 TD motor diesel 1992 2003 50 68 motor diesel
7 VW TRANSPORTER Mk IV platou / sasiu (70XD) 2.0 motor pe benzina 1990 2003 62 84 benzina
8 VW TRANSPORTER Mk IV platou / sasiu (70XD) 2.4 D motor diesel 1990 1998 57 78 motor diesel
9 VW TRANSPORTER Mk IV platou / sasiu (70XD) 2.4 D motor diesel 1997 2003 55 75 motor diesel
10 VW TRANSPORTER Mk IV platou / sasiu (70XD) 2.4 D Syncro motor diesel 1992 1998 57 78 motor diesel
11 VW TRANSPORTER Mk IV platou / sasiu (70XD) 2.5 motor pe benzina 1990 2003 81 110 benzina
12 VW TRANSPORTER Mk IV platou / sasiu (70XD) 2.5 motor pe benzina 1996 2003 85 115 benzina
13 VW TRANSPORTER Mk IV platou / sasiu (70XD) 2.5 Syncro motor pe benzina 1992 2003 81 110 benzina
14 VW TRANSPORTER Mk IV platou / sasiu (70XD) 2.5 Syncro motor pe benzina 1996 2003 85 115 benzina
15 VW TRANSPORTER Mk IV platou / sasiu (70XD) 2.5 TDI motor diesel 1995 2003 75 102 motor diesel

Scrie o recenzie

    Nu-mi place           Imi place foarte mult