TRW Tambur frana DB4190
- Producator
- TRW

- Produs
- Tambur frana DB4190
- Disponibilitate
- In stoc furnizor
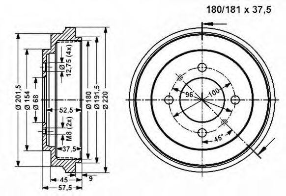
| Diamentru tambur | 180,0 |
|---|---|
| Diametru interior maxim tambur frana [mm] | 181 |
| Inaltime interioara tambur frana | 37,5 |
| Numar gauri | 4 |
| Diametru asezare gauri -? [mm] | 100 |
| Producator | Cod OEM |
| NISSAN | 4320650Y10 |
| # | Producator | Imagine | Cod piesa | Titlu | Pret |
|---|---|---|---|---|---|
| 1 | KAWE | 7D0130 | Tambur frana | Solicita oferta | |
| 2 | sbs |
|
1825252214 | Tambur frana | Solicita oferta |
| 3 | CIFAM |
|
700-055 | Tambur frana | Solicita oferta |
| 4 | VEMA |
|
801030 | Tambur frana | Solicita oferta |
| 5 | VEMA |
|
801185 | Tambur frana | Solicita oferta |
| 6 | ALANKO | 305951 | Tambur frana | Solicita oferta | |
| 7 | ABE |
|
C61000ABE | Tambur frana | Solicita oferta |
| 8 | ROTINGER | RT 6175 | Tambur frana | Solicita oferta | |
| 9 | MDR | MBD-2106 | Tambur frana | Solicita oferta |
| # | Titlu | Motorizare | An inceput constructie | An sfarsit constructie | KW | CP | Combustibil |
|---|---|---|---|---|---|---|---|
| 1 | NISSAN SUNNY Mk III hatchback (N14) 1.6 i 16V | motor pe benzina | 1992 | 1995 | 75 | 102 | benzina |
| 2 | NISSAN SUNNY Mk III hatchback (N14) 2.0 D | motor diesel | 1990 | 1995 | 55 | 75 | motor diesel |





























